38+ Top Populer Wiring Diagram Ac Mobil Toyota Avanza
Agustus 01, 2019
Inspirasi pembahasan terkait mobil toyota dengan judul 38+ Top Populer Wiring Diagram Ac Mobil Toyota Avanza adalah :
38+ Top Populer Wiring Diagram Ac Mobil Toyota Avanza - Setiap orang pasti memiliki keinginan untuk memiliki mobil dan motor, apalagi masa kini banyak yang memodifikasi mobil toyota. Salah satu alasan modifikasi ialah agar terlihat berbeda dari kendaraan lainnya. Aktivitas ini tentu membutuhkan biaya besar, terutama modifikasi mobil toyota yang biasanya membutuhkan dana puluhan juta atau bahkan ratusan juta rupiah. Sebenarnya biaya modifikasi mobil toyota bisa diminalisir dengan memakai produk aftermarket yang murah. Dunia modifikasi otomotif merupakan tantangan buat penggemar mobil dan motor. Setiap detil komponen harus dipikirkan dengan penuh pertimbangan, agar mendapatkan mobil toyota dengan hasil yang memuaskan.
Maka kami akan mengulas tentang mobil toyota yang memiliki variasi dan model kekinian, sehingga memudahkan kamu membuat tampilan mobil dan motor semakin menawan.Ulasan kali ini terkait mobil toyota dengan judul artikel 38+ Top Populer Wiring Diagram Ac Mobil Toyota Avanza berikut ini.

Toyota Avanza 2007 Wiring Diagram Rar Free Download Ac . Sumber Gambar : www.wingsioskins.com

Avanza wiring diagram . Sumber Gambar : www.slideshare.net

Toyota Avanza 2007 Wiring Diagram Rar Free Download Ac . Sumber Gambar : www.wingsioskins.com

Toyota Landcruiser Prado 2004 2005 Electronic Wiring . Sumber Gambar : www.wingsioskins.com

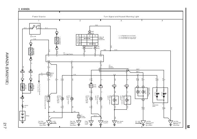
Toyota Avanza 2007 Wiring Diagram Rar Free Download Ac . Sumber Gambar : www.wingsioskins.com

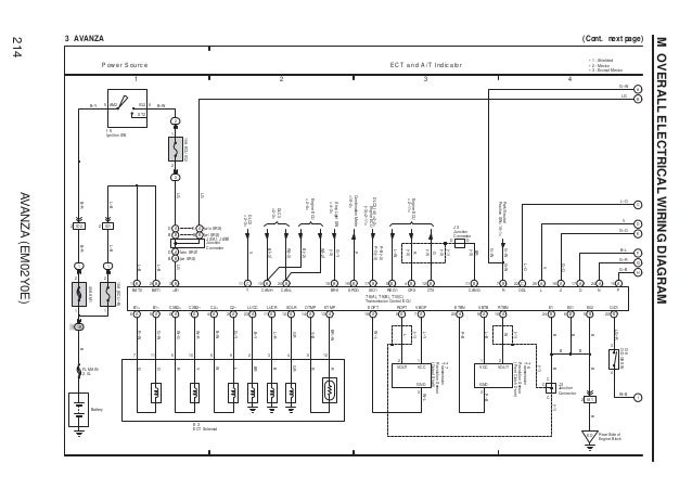
Toyota Avanza 2007 Wiring Diagram Rar Free Download Ac . Sumber Gambar : www.wingsioskins.com

Wiring diagram kelistrikan toyota avanza . Sumber Gambar : 9xmaza.us

Sistem Kelistrikan Mobil toyota Kijang dogboi info . Sumber Gambar : dogboi.info

Avanza wiring diagram . Sumber Gambar : www.slideshare.net

Avanza Xenia Part Number Catalog Wiring Diagram Toyota Pdf . Sumber Gambar : shelburneartcenter.org

Toyota Avanza Fuse Box Diagram Wiring Pdf Image . Sumber Gambar : www.wingsioskins.com

Wiring Diagram Alarm Mobil Wiring Diagram and Schematics . Sumber Gambar : wiringdiagram.foreverbluegear.com

Toyota Avanza 2007 Wiring Diagram Rar Free Download Ac . Sumber Gambar : www.wingsioskins.com

Wiring Diagram Kelistrikan Toyotum Avanza wiring diagram . Sumber Gambar : emailsongoftheday.com

Avanza wiring diagram . Sumber Gambar : www.slideshare.net

Free download wiring diagram toyota avanza . Sumber Gambar : automotorpad.com

Komponen AC Mobil otogembel . Sumber Gambar : otogembel.wordpress.com

Wearing Diagram Kelistrikan Avanza Lengkap Kendaraan Ringan . Sumber Gambar : mriptek.blogspot.com

Rangkaian Lampu Tanda Belok Dan Lampu Hazard Otomotif Mobil . Sumber Gambar : otomotifmobil.com

Wiring Diagram Ac Mobil Honda Freed Wiring Diagram . Sumber Gambar : wiringdiagram.2bitboer.com

Toyota Avanza 2007 Wiring Diagram Rar Free Download Ac . Sumber Gambar : www.wingsioskins.com

Toyota Electrical Wiring Diagram Workbook Auto Repair . Sumber Gambar : www.autorepairmanuals.ws

Posisi atau Letak Sekring Kipas Radiator Avanza . Sumber Gambar : otomotifmobil.com

Wiring Diagram Ac Mobil Toyota Avanza Wiring Diagram . Sumber Gambar : wiringdiagram.2bitboer.com

Wiring Diagram Kelistrikan Toyotum Avanza wiring diagram . Sumber Gambar : emailsongoftheday.com

Toyota avanza 2007 wiring diagram rar . Sumber Gambar : automotorpad.com

Wiring diagram EFI toyota Avanza Daihatsu Xenia Saputranett . Sumber Gambar : saputranett.blogspot.co.id

DAIKIN AIR CONDITIONER . Sumber Gambar : daikin-indonesia.blogspot.com

Download Skema Wiring Diagram Kelistrikan Mobil OtomoTrip . Sumber Gambar : otomotrip.com

Manual Book Toyota Avanza Pdf Google Docs Wiring Diagram . Sumber Gambar : www.wingsioskins.com

Wiring Diagram Kelistrikan Toyotum Avanza wiring diagram . Sumber Gambar : emailsongoftheday.com

Toyota Avanza F601RM Series Electrical Wiring Diagram . Sumber Gambar : www.autorepairmanuals.ws

Foto Mobil Toyota Lgx Auto Werkzeuge . Sumber Gambar : autowerkzeuge.blogspot.com

Wiring Diagram Kelistrikan Toyotum Avanza wiring diagram . Sumber Gambar : emailsongoftheday.com

Letak dan Posisi Sekring Audio Tape Mobil Avanza OtomoTrip . Sumber Gambar : otomotrip.com
wiring diagram toyota avanza pdf, wiring diagram ac mobil avanza, pinout ecu avanza, toyota avanza electrical wiring diagrams pdf, wiring diagram fan radiator avanza, wiring isc avanza, fuse box avanza, ac mobil avanza mati,
38+ Top Populer Wiring Diagram Ac Mobil Toyota Avanza - Setiap orang pasti memiliki keinginan untuk memiliki mobil dan motor, apalagi masa kini banyak yang memodifikasi mobil toyota. Salah satu alasan modifikasi ialah agar terlihat berbeda dari kendaraan lainnya. Aktivitas ini tentu membutuhkan biaya besar, terutama modifikasi mobil toyota yang biasanya membutuhkan dana puluhan juta atau bahkan ratusan juta rupiah. Sebenarnya biaya modifikasi mobil toyota bisa diminalisir dengan memakai produk aftermarket yang murah. Dunia modifikasi otomotif merupakan tantangan buat penggemar mobil dan motor. Setiap detil komponen harus dipikirkan dengan penuh pertimbangan, agar mendapatkan mobil toyota dengan hasil yang memuaskan.
Maka kami akan mengulas tentang mobil toyota yang memiliki variasi dan model kekinian, sehingga memudahkan kamu membuat tampilan mobil dan motor semakin menawan.Ulasan kali ini terkait mobil toyota dengan judul artikel 38+ Top Populer Wiring Diagram Ac Mobil Toyota Avanza berikut ini.

Toyota Avanza 2007 Wiring Diagram Rar Free Download Ac . Sumber Gambar : www.wingsioskins.com

Avanza wiring diagram . Sumber Gambar : www.slideshare.net

Toyota Avanza 2007 Wiring Diagram Rar Free Download Ac . Sumber Gambar : www.wingsioskins.com

Toyota Landcruiser Prado 2004 2005 Electronic Wiring . Sumber Gambar : www.wingsioskins.com

Toyota Avanza 2007 Wiring Diagram Rar Free Download Ac . Sumber Gambar : www.wingsioskins.com

Toyota Avanza 2007 Wiring Diagram Rar Free Download Ac . Sumber Gambar : www.wingsioskins.com

Wiring diagram kelistrikan toyota avanza . Sumber Gambar : 9xmaza.us

Sistem Kelistrikan Mobil toyota Kijang dogboi info . Sumber Gambar : dogboi.info

Avanza wiring diagram . Sumber Gambar : www.slideshare.net

Avanza Xenia Part Number Catalog Wiring Diagram Toyota Pdf . Sumber Gambar : shelburneartcenter.org

Toyota Avanza Fuse Box Diagram Wiring Pdf Image . Sumber Gambar : www.wingsioskins.com
Wiring Diagram Alarm Mobil Wiring Diagram and Schematics . Sumber Gambar : wiringdiagram.foreverbluegear.com

Toyota Avanza 2007 Wiring Diagram Rar Free Download Ac . Sumber Gambar : www.wingsioskins.com

Wiring Diagram Kelistrikan Toyotum Avanza wiring diagram . Sumber Gambar : emailsongoftheday.com

Avanza wiring diagram . Sumber Gambar : www.slideshare.net
Free download wiring diagram toyota avanza . Sumber Gambar : automotorpad.com

Komponen AC Mobil otogembel . Sumber Gambar : otogembel.wordpress.com

Wearing Diagram Kelistrikan Avanza Lengkap Kendaraan Ringan . Sumber Gambar : mriptek.blogspot.com

Rangkaian Lampu Tanda Belok Dan Lampu Hazard Otomotif Mobil . Sumber Gambar : otomotifmobil.com
Wiring Diagram Ac Mobil Honda Freed Wiring Diagram . Sumber Gambar : wiringdiagram.2bitboer.com

Toyota Avanza 2007 Wiring Diagram Rar Free Download Ac . Sumber Gambar : www.wingsioskins.com
Toyota Electrical Wiring Diagram Workbook Auto Repair . Sumber Gambar : www.autorepairmanuals.ws

Posisi atau Letak Sekring Kipas Radiator Avanza . Sumber Gambar : otomotifmobil.com

Wiring Diagram Ac Mobil Toyota Avanza Wiring Diagram . Sumber Gambar : wiringdiagram.2bitboer.com

Wiring Diagram Kelistrikan Toyotum Avanza wiring diagram . Sumber Gambar : emailsongoftheday.com
Toyota avanza 2007 wiring diagram rar . Sumber Gambar : automotorpad.com

Wiring diagram EFI toyota Avanza Daihatsu Xenia Saputranett . Sumber Gambar : saputranett.blogspot.co.id

DAIKIN AIR CONDITIONER . Sumber Gambar : daikin-indonesia.blogspot.com

Download Skema Wiring Diagram Kelistrikan Mobil OtomoTrip . Sumber Gambar : otomotrip.com
Manual Book Toyota Avanza Pdf Google Docs Wiring Diagram . Sumber Gambar : www.wingsioskins.com
Wiring Diagram Kelistrikan Toyotum Avanza wiring diagram . Sumber Gambar : emailsongoftheday.com
Toyota Avanza F601RM Series Electrical Wiring Diagram . Sumber Gambar : www.autorepairmanuals.ws

Foto Mobil Toyota Lgx Auto Werkzeuge . Sumber Gambar : autowerkzeuge.blogspot.com
Wiring Diagram Kelistrikan Toyotum Avanza wiring diagram . Sumber Gambar : emailsongoftheday.com

Letak dan Posisi Sekring Audio Tape Mobil Avanza OtomoTrip . Sumber Gambar : otomotrip.com